切换区域
省级:
北京
天津
河北
山西
内蒙古
辽宁
吉林
黑龙江
上海
江苏
浙江
安徽
福建
江西
山东
河南
湖北
湖南
广东
广西
海南
重庆
四川
贵州
云南
西藏
陕西
甘肃
青海
宁夏
新疆
市级:
大连
深圳
宁波
分支机构节点
《测绘学报》
边海地图
教育
智慧城市
大数据与人工智能
工程测量分会
地图学与地理信息系统
大地测量与导航
摄影测量与遥感
海洋测绘
仪器装备
矿山测量
文化遗产保护
卫星遥感应用
测绘职业资格
科学普及
测绘学名词审定
发展战略
自然资源调查监测工委会
产品质量
地下管线
无人机创新
位置服务
不动产测绘
对地观测
实景三维
软件与信息技术服务
深空探测遥感测绘
智能化测绘
国际合作
低空开发与利用
青年
分支机构动态
登录
注册
综合查询
首 页
学会概况
学会简介
学会章程
机构框架
历届理事长
学会党建
资讯中心
时政要闻
自然资源部动态
学会动态
通知公告
地方动态
会展资讯
媒体声音
招生信息
学术交流
活动交流
测绘大讲堂
测绘科技论坛
测绘微课堂
测绘智库
测绘院士
学会会士
智库观点
论文摘选
测绘科技知识服务平台
科普天地
科普动态
测绘知识
定向越野
红色地图
GIS专题
科普视频
科普讲座
科技奖励
奖励公报
奖励制度
测绘科学技术奖
优秀测绘工程奖
青年科创人才奖
优秀单位奖
创新产品认定
团体标准
标准制修订
标准专家库
标准查询
国际组织
分支机构
分支机构动态
省级学会
省级学会动态
团体会员
团体会员动态
人才托举
青年托举
测绘期刊
期刊
新书推荐
新品发布
办公平台
加入会员
奖励申报
内控系统
当前位置:
>首页
>团体标准
>标准制修订
>批准发布
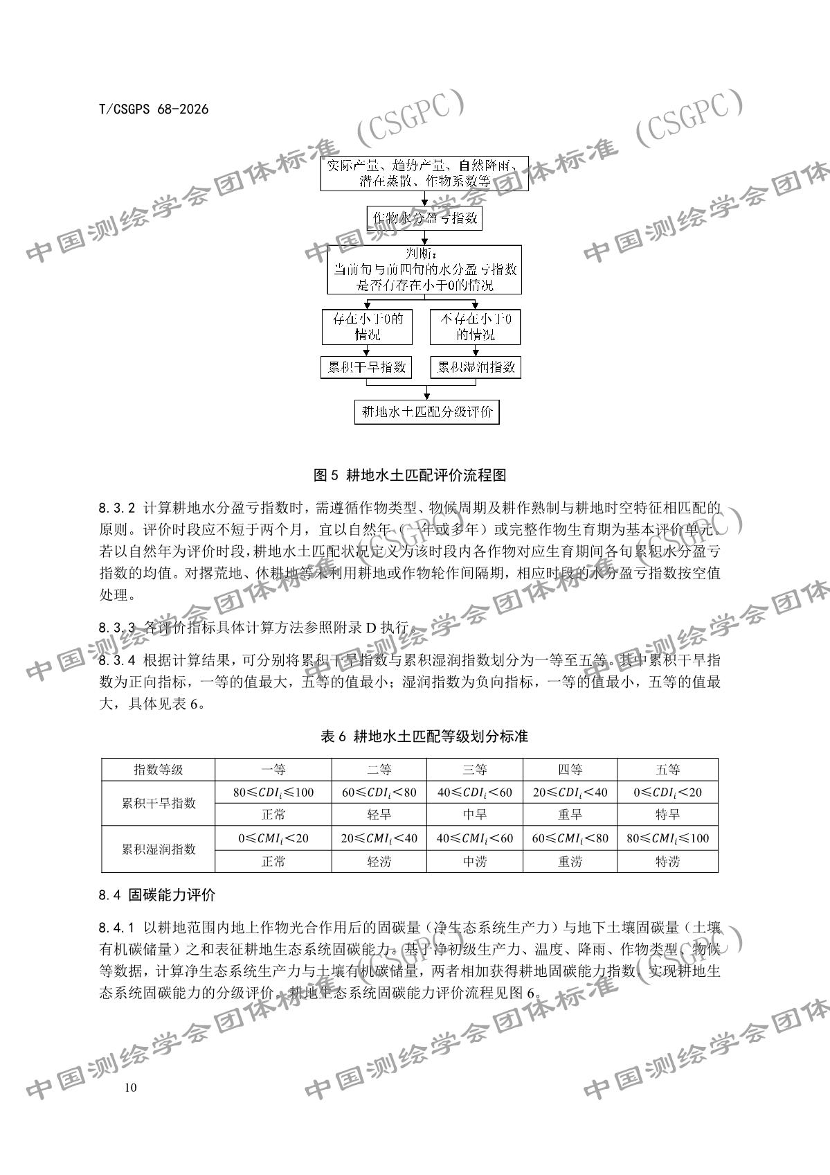
《基于地理信息的耕地资源可持续利用评价》TCSGPC 68-2026
发布时间:2026-02-02 来源:
中国测绘学会
浏览:
5603次
综合
综合
中国自然资源报
天地图
3sNews
赛迪网3S频道
中国测绘网
天乐测绘网
星月测绘商城
51GIS学院
测绘科技信息网
地理空间项目网
测量员
测量空间
监测人
测量工程师
坐标网
GIS时代
GIS空间站
麻辣GIS
中国测绘地理信息标准网
国家遥感中心
北斗网
测绘出版社
测绘地理信息市场监管与服务平台
学会/协会
学会/协会
中国地理信息产业协会
中国卫星导航定位协会
国际数字地球学会
中国城市规划学会
中国城市公共交通协会
中国地球物理学会
中国地质学会
中国海洋学会
中国林学会
中国软件行业协会
中国水利学会
中国土地学会
中国遥感应用协会
中国仪器仪表学会
院校
院校
中国科学院空天信息创新研究院
中国矿业大学环境与测绘学院
中国地质大学地球科学学院
中国石油大学地球科学与技术学院
武汉大学测绘学院
武汉大学遥感信息工程学院
安徽理工大学测绘学院
北京师范大学地理学与遥感科学学院
长安大学地质工程与测绘学院
东华理工大学测绘工程学院
成都理工大学地球科学学院
桂林理工大学测绘地理信息学院
河南理工大学测绘与国土信息工程学院
河海大学测绘科学与工程系
吉林大学地球科学学院
江苏师范大学地理测绘与城乡规划学院
江西理工大学建筑与测绘工程学院
辽宁工程技术大学测绘与地理科学学院
南京工业大学测绘科学与技术学院
山东科技大学测绘科学与工程学院
同济大学测绘与地理信息学院
西安科技大学测绘科学与技术学院
香港理工大学土地测量与地理资讯学系
中南大学地球科学与信息物理学院
郑州测绘学校
重点实验室
重点实验室
遥感科学国家重点实验室
测绘遥感信息工程国家重点实验室
中国南极测绘研究中心
大地测量与地球动力学国家重点实验室
海岸带地理环境监测国家测绘地理信息局重点实验室
精密工程与工业测量国家测绘地理信息局重点实验室
地球物理大地测量国家测绘地理信息局重点实验室
地理国情监测国家测绘地理信息局重点实验室
国外相关
国外相关
国际大地测量协会(IAG)
国际测量师联合会(FIG)
国际制图学协会(ICA)
国际摄影测量与遥感学会(ISPRS)
国际大地测量与地球物理联合会(IUGG)
国际空间测量与地球科学协会(ITC)
国际标准化组织地理信息标准化技术委员会(ISOTC211)
全球空间数据基础设施协会(GSDI)
联合国制图处(UNCS)
开放地理信息系统联盟(OGC)
地球空间信息与技术协会(GITA)
对地观测协会(CEOS)
欧洲地理信息组织(EUROGI)
美国国家大地测量局
NASA
加拿大遥感组织
求职招聘
求职招聘
测绘人才网
一览测绘英才网
中国测绘英才网
主管部门:
自然资源部
民政部
中国科协
京ICP备14037318号-1
京公网安备 11010802031220号
主办:中国测绘学会 技术支持 :江苏润溪时空智能科技股份有限公司
联系电话:010-63881345 邮箱地址:zgchxh1401@163.com
联系地址:北京市海淀区莲花池西路28号西裙楼四层